Opis
•10 bar gaz / 16 bar woda
•W komplecie z dolną częścią montażową
•Wskaźnik poprawności zgrzewu
•4 mm końcówki
•zintegrowany frez do nawiercania pod ciśnieniem
•nakrętka typu o-ring
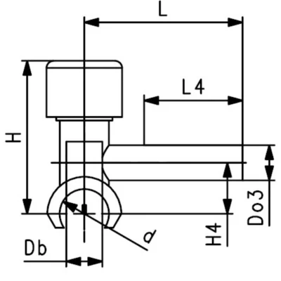
Obejma siodłowa służy do wykonania przyłącza wody lub gazu z rury PE w czynnym rurociągu.

















Opinie
Na razie nie ma opinii o produkcie.