Opis
• 10 bar gaz/ 16 bar woda
• PE 100 SDR 11
• 4 mm końcówki
• Wskaźniki poprawności zgrzewu
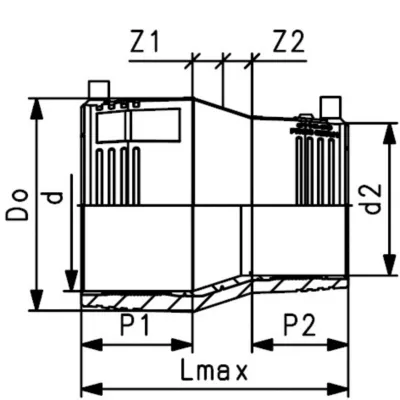
Redukcja elektrooporowa przeznaczona do zgrzewania elektrooporowego i trwałego połączenia rurociągu, kształtek bosych o różnych średnicach . Spirala grzewcza nie została zatopiona w tworzywie, dzięki czemu przekazywanie ciepła przez kształtkę jest zoptymalizowane. Kształtki elektrooporowe mogą zostać wykorzystane przy budowie rurociągów przesyłowych wody pitnej , ścieków komunalnych i sieciach gazowych , mają zastosowanie również do wszystkich innych mediów które nie reagują z polietylenem.
















Opinie
Na razie nie ma opinii o produkcie.